Problemas resueltos
Problema 1. Encontrar en la red de la figura 1.

Primer método. Utilizando el teorema de Thévenin.
Solución. Para determinar el circuito equivalente de Thévenin se abre la red en la carga de 6 kΩ (figura 2).

La LKV indica que el voltaje en circuito abierto, , es igual a 3 V más el voltaje
, que es el voltaje en las terminales de la fuente de corriente. Los 2 mA de la fuente de corriente fluyen a través de los resistores, por lo que el valor de
es
Entonces, es
Después, todas las fuentes de corriente del circuito se cambian a circuitos abiertos mientras que las fuentes de voltaje se cambian a cortocircuitos; con esto se puede hallar la resistencia equivalente de Thévenin (figura 3).

Luego, se conecta el circuito equivalente de Thévenin formado por y
en las terminales originales de la carga (figura 4).

Por último, por divisor de voltaje, se calcula el valor de .
Segundo método. Utilizando el teorema de Norton.
Solución. Para el circuito equivalente de Norton en las terminales de la carga, se debe calcular la corriente de cortocircuito, como se muestra en la figura 5. Se observa que el cortocircuito hace que la fuente de 3 V quede directamente entre los resistores y la fuente de corriente (esto es, en paralelo con dichos elementos).

Entonces, es
Aplicando la LKC en la figura 5, resulta
El valor de se determinó en el desarrollo del teorema de Thévenin en base a la figura 3; esto es
. Finalmente, conectando el circuito equivalente de Norton formado por
y
se tiene el circuito mostrado en la figura 6.

Por ley de Ohm, se obtiene el valor de . Esto es
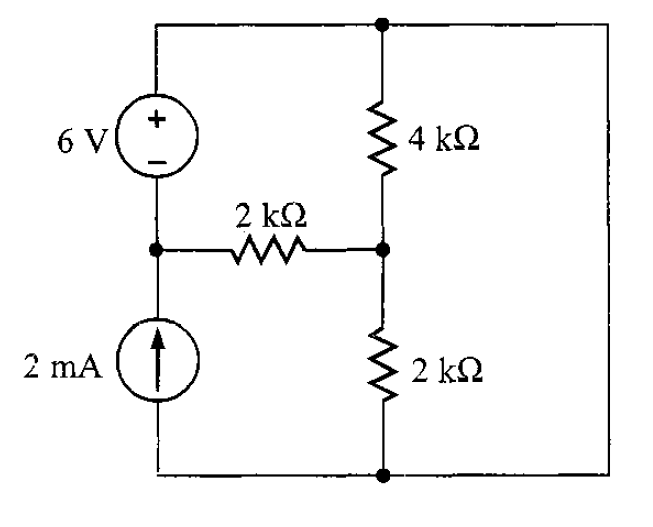
Problema 2. Hallar el valor de para el circuito de la figura 7.

Primer método. Utilizando el teorema de Thévenin.
Solución. Se abre la red en la carga de 6 kΩ; esto genera dos mallas, como se observa en la figura 8.

La ecuación para la primera corriente de malla es
Y la segunda corriente de malla es
Teniendo las ecuaciones
| (1) | |
| (2) |
Sustituyendo la ecuación (2) en (1), resulta que
Una vez calculado los valores de las corrientes e
, se utiliza LKV para determinar
.
Haciendo que la fuente de voltaje se comporte como un cortocircuito y que la fuente de corriente como un circuito abierto, se tiene lo siguiente en la figura 9.

Con esto es posible determinar la resistencia Thévenin y es
Conectando el circuito equivalente de Thévenin a la carga se produce el circuito mostrado en la figura 10.

Usando la división de voltaje, se obtiene el resultado final de .
Segundo método. Utilizando el teorema de Norton.
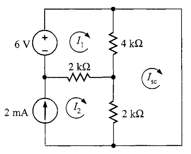
Solución. Para ello, es necesario que en las terminales de la carga, se determine la corriente de cortocircuito, como se ilustra en la figura 11.


En la figura 12 se observa que se han localizado las corrientes de malla y pueden ser hallas utilizando la LKV. En la primera corriente de malla, su ecuación es
La ecuación de la segunda corriente de malla es
y en le caso de la tercera corriente de malla
Las ecuaciones obtenidas anteriormente son
| (1) | |
| (2) | |
| (3) |
Sustituyendo de la ecuación (2) en (1) y (3), se reduce a dos ecuaciones
Simplificando
| (4) | |
| (5) |
Con esto sólo es necesario determinar e
. Expresando las ecuaciones (4) y (5) en forma matricial, se tiene lo siguiente
Entonces las corrientes son y
.
La resistencia Thévenin se determinó cuando las fuentes de voltaje y corriente se volvieron nulas cuando se estaba encontrando el circuito equivalente de Thévenin. Entonces, es
Por último, se conecta el circuito equivalente de Norton a la carga que fue separada en un principio; el circuito esperado se muestra en la figura 13.

Finalmente, por ley de Ohm, se puede calcular el valor de , y es