Problema. Un transformador de distribución de 30 (kVA) y 8000/230 (V) tiene una impedancia referida al primario de . Los componentes de la rama de excitación referidos al lado primario son
y
a) Si el voltaje primario es de 7967 (V) y la impedancia de la carga es , ¿cuál es el voltaje secundario del transformador? ¿Cuál es la regulación de voltaje del transformador?
b) Si se desconecta la carga y se conecta en su lugar un condensador de , ¿cuál es el voltaje secundario del transformador? ¿Cuál es la regulación de voltaje del transformador?
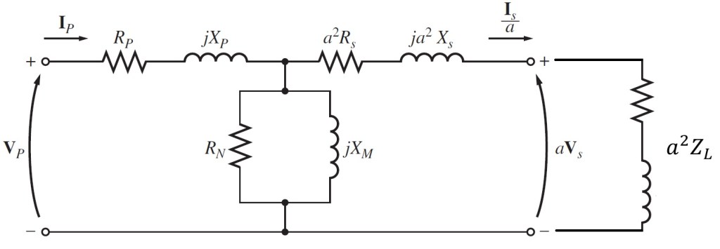
Solución a). Del enunciado, el circuito del transformador referido al lado primario y con la carga mencionada es el siguiente

Ahora, es necesario calcular todos los elementos de este circuito con los datos brindados en el problema. La relación de vueltas del transformador es
La impedancia de carga referido al lado primario es
Se recuerda que la impedancia referida al lado primario es
La corriente en el devanado secundario referido al lado primario es
El voltaje secundario del transformador referido al lado primario es
El voltaje secundario del transformador es
Y la regulación de voltaje de este transformador es
%
%
%
Solución b). Cambiando la carga por un condensador (como lo menciona el problema), se tiene lo siguiente

Una vez más se calculan todos los elementos de este circuito con los datos brindados en el problema. La relación de vueltas del transformador es
La impedancia de carga referido al lado primario es
Se recuerda que la impedancia referida al lado primario es
La corriente en el devanado secundario referido al lado primario es
El voltaje secundario del transformador referido al lado primario es
El voltaje secundario del transformador es
Y la regulación de voltaje de este transformador es
%
%
%