Problema. Un generador monofásico de 13.8 (kV) suministra potencia a una carga a través de una línea de transmisión. La impedancia de la carga es y la impedancia de la línea de transmisión es
.
a) Si se conecta el generador directamente a la carga (figura 2.13.1), ¿cuál es la razón entre el voltaje de la carga y el voltaje generado? ¿Cuáles son las pérdidas de transmisión del sistema?
b) ¿Qué porcentaje de la potencia suministrada por la fuente alcanza la carga? (¿cuál es la eficiencia del sistema de transmisión?)
c) Si se coloca un transformador 1:10 a la salida del generador y un transformador 10:1 en el extremo de la línea de transmisión donde está la carga, ¿cuál es la nueva relación entre el voltaje de la carga y el voltaje generado? ¿Ahora cuáles son las pérdidas de transmisión del sistema? (Nota: Se puede suponer que los transformadores son ideales).
d) ¿Qué porcentaje de la potencia suministrada por la fuente alcanza ahora la carga?
e) Compare las eficiencias del sistema de transmisión con o sin transformadores.


Solución a). Se calcula la corriente de linea
Después, el voltaje de carga es
Por tanto, la regulación de voltaje es
Para conocer las pérdidas de transmisión del sistema, se sabe que la resistencia en la transmisión de línea es
Así
Solución b). Para calcular el porcentaje, se debe tener en cuenta la potencia perdida en la transmisión del sistema y la potencia de salida
Entonces
%
%
%
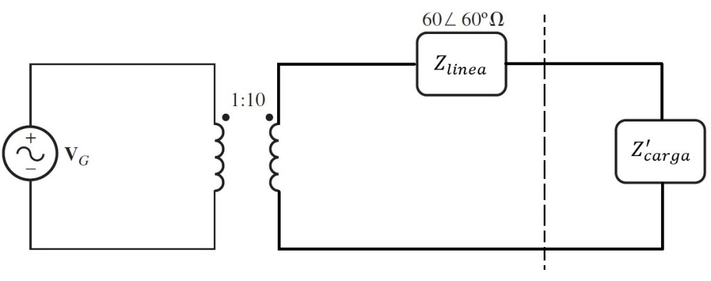
Solución c). Para responder las preguntas de este inciso, se realiza lo siguiente:
Eliminación del transformador referido la carga al nivel de voltaje en la línea de transmisión.

Cálculo de la impedancia de carga
La impedancia de linea permanece intacta por el momento.
Eliminación del transformador refiriendo los elementos de la línea de transmisión y carga equivalente al voltaje de la línea de transmisión del lado de la fuente.

Para este paso, primero se calcula la nueva impedancia de linea
después, se calcula la impedancia de carga
Continuando con el problema, el fasor de la corriente del generador se determina de la siguiente manera
La corriente de línea se calcula como
La corriente de carga es
Respondiendo la primera pregunta de este inciso, el voltaje de carga es
Y recordando que el voltaje generado es
La relación de vueltas entre el voltaje de carga y el voltaje generado es
Y contestando la segunda pregunta, la pérdida de transmisión en el sistema es
Solución d). Para conocer el porcentaje, se debe tomar en cuenta la potencia perdida y la potencia de salida
Finalmente
%
%
%
Solución e). Elevando el voltaje de transmisión del sistema de potencia, se reducen las pérdidas de transmisión. El voltaje de carga cayó muy poco en el sistema con transformadores en comparación con el sistema sin transformadores. Esto se observa con los resultados de la eficiencia.