Problema. Un transformador convencional de 10 (kVA), 480/120 (V) se utiliza para suministrar potencia de una fuente de 600 (V) a una carga de 480 (V). Considere que el transformador es ideal y suponga que todo el aislamiento puede soportar 600 (V).

a) Dibuje la conexión del transformador para este efecto.

b) Calcule el valor nominal en kilovoltamperes del transformador con esa configuración.

c) Encuentre las corrientes máximas primarias y secundarias en estas condiciones.

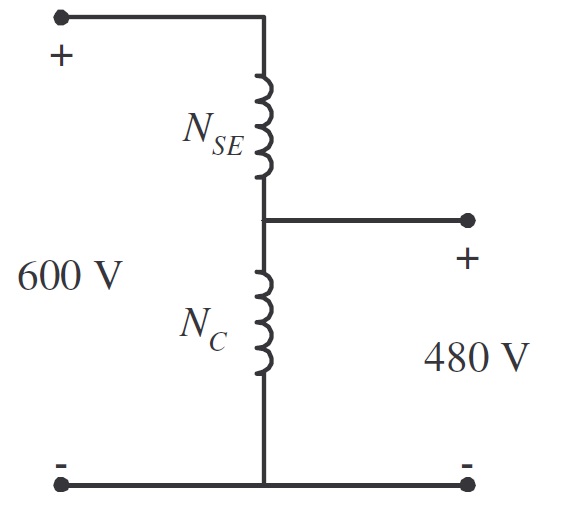
Solución a). Para esta configuración, el devanado común debe ser el más grande de los dos devanados, y

\displaystyle \frac{V_C}{V_{SE}} = \frac{N_C}{N_{SE}}

\displaystyle \frac{480}{120} = \frac{N_C}{N_{SE}}

\displaystyle 4 = \frac{N_C}{N_{SE}}

\displaystyle 4N_{SE} = N_C

Así, la conexión del transformador se muestra en la figura 2.17.1

Figura 2.17.1

Solución b). Los kilovoltaperes (kVA) nominales del autotransformador pueden ser encontrados utilizando la siguiente fórmula

\displaystyle \frac{S_{ES}}{S_D} = \frac{N_{SE} + N_C}{N_{SE}}

Despejando la potencia aparente de entrada y de salida del autotransformador, resulta que

\displaystyle S_{ES} = \left(\frac{N_{SE} + N_C}{N_{SE}} \right) S_D

\displaystyle S_{ES} = \left(\frac{N_{SE} + 4 N_{SE}}{N_{SE}} \right) (10 \times 10^3)

\displaystyle \therefore S_{ES} = 50 \times 10^3 \ (VA) = 50 \ (kVA)

Solución c). La corriente máxima primaria para esta configuración es

\displaystyle S = V_P I_P

\displaystyle I_P = \frac{S}{V_P} = \frac{S_{ES}}{V_P}

\displaystyle I_P = \frac{50 \ (kVA)}{600 \ (V)} = \frac{50 \times 10^3 \ (VA)}{600 \ (V)}

\displaystyle \therefore I_P = 83.333 \ (A)

Y la corriente secundaria es

\displaystyle S = V_S I_S

\displaystyle I_S = \frac{S}{V_S} = \frac{S_{ES}}{V_S}

\displaystyle I_S = \frac{50 \ (kVA)}{480 \ (V)} = \frac{50 \times 10^3 \ (VA)}{480 \ (V)}

\displaystyle \therefore I_S = 104.167 \ (A)

2 comentarios sobre “Transformadores. Problema 17. Máquinas eléctricas.

Deja un comentario

Este sitio utiliza Akismet para reducir el spam. Conoce cómo se procesan los datos de tus comentarios.