Problema. Demuestre que el sistema trifásico de voltajes en el secundario del transformador que se muestran en las siguientes figuras retrasa 30° el sistema de voltajes trifásico en el primario del transformador.

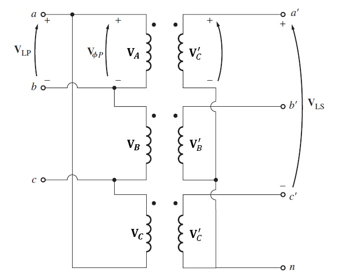
Figura 2.20.1 Conexión Δ-Y (delta – ye). 
Figura 2.20.2 Conexión Δ-Y (delta – ye).
Solución. Suponiendo que los voltajes de fase en el lado primario son
Entonces, los voltajes de fase en el lado secundario son
Dado que este banco de transformadores , el voltaje de línea
en el lado primario es igual a
El voltaje de línea en el lado secundario es
Se observa que el voltaje de línea en el lado secundario retrasa el voltaje de línea en el lado primario 30°.