Problema. Un transformador monofásico de 10 (kVA) y 480/120 (V) se utiliza como autotransformador y une una línea de distribución de 600 (V) con una carga de 480 (V). Se obtienen los siguientes datos cuando se le realizan pruebas como un transformador convencional que se tomaron del lado primario (480 V) del transformador.
| Prueba de circuito abierto (en el lado secundario) | Prueba de cortocircuito (en el lado primario) |
a) Encuentre el circuito equivalente por unidad del transformador cuando se conecta de manera convencional. ¿Cuál es la eficiencia del transformador en condiciones nominales y un factor de potencia unitario? ¿Cuál es la regulación de voltaje en estas condiciones?
b) Dibuje las conexiones del transformador cuando se utiliza como un autotransformador reductor de 600/480 (V).
c) ¿Cuál es el valor nominal en kilovoltamperes del transformador cuando se utiliza con la conexión de autotransformador?
d) Responda la pregunta del inciso a) para la conexión como autotransformador.
Solución a). Primero se cálculo de la impedancia de base (referido al lado primario)
De los datos del circuito abierto, se obtiene los elementos de la rama de excitación (referido al lado primario). Para ello se determina la magnitud de la admitancia de excitación
El ángulo de la admitancia es
°
El fasor de la admitancia es
Por tanto, la resistencia es
Y la reactancia es
Convirtiéndolos a por unidad, resulta que
De los datos del cortociruito, se obtiene los elementos de la impedancia. Para ello, se calcula primero la magnitud de la impedancia,
El ángulo de la impedancia es
°
el fasor de la impedancia es
Por tanto, la resistencia equivalente es
y la reactancia equivalente es
Convirtiéndolo a por unidad
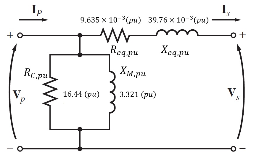
Por tanto, el circuito equivalente por unidad esperado es el siguiente

Por las condiciones nominales y un factor de potencia unitario, la potencia de entrada para este transformador sería .
Ahora, calculando la potencia por pérdidas en el núcleo del transformador, se tiene que
Después, calculando la potencia por pérdidas en el cobre del transformador, resulta
Y la potencia de salida es
Finalmente, la eficiente del transformador es
%
%
%
Por último de este inciso, antes de calcular la regulación de voltaje, primero se debe determinar el fasor de voltaje de salida sabiendo que el de entrada es . Entonces,
Por tanto,
%
%
%
Solución b). La conexión del autotransformador para 600/480 (V) es

Solución c). Por medio de la figura 2.21.2, se sabe que
Así, el cálculo del valor nominal en kilovoltaperes se obtiene despejando en base a la siguiente fórmula
Solución d). Para una conexión como el del autotransformador, la mayoría de los resultados calculados en el inciso a se cambiarán. En el caso de la impedancia en serie por unidad, decrementará por el recíproco de la ventaja de potencia, por lo que la resistencia equivalente por unidad es
y la reactancia equivalente por unidad es
Para la rama de excitación, los valores de cada uno de sus elementos, no se alteran, es decir,
y
En condiciones nominales y con un factor de potencia unitario, la potencia de entrada será de . Así que, para determinar la potencia de salida, se debe tomar en cuenta la potencia de entrada, la potencia por pérdidas en el núcleo
y la potencia por pérdidas en el cobre
Por lo que, la potencia de salida tiene el siguiente resultado
Con estos datos, se obtiene el valor de la eficiencia del transformador
%
%
%
Determinando nuevamente el voltaje de salida con estos nuevos datos
Finalmente, la regulación de voltaje es
%
%
%