Introducción
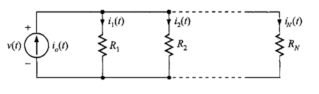
Se considera el circuito de la figura 1. Se ha supuesto que el nodo superior es de v(t) volts positivos con respecto al nodo inferior.

Al aplicar la ley de Kirchhoff de corriente al nodo superior se obtiene
o
Todos los términos del primer miembro de la ecuación representan fuentes que pueden combinarse algebraicamente en una sola fuente; esto es,
Lo cual reduce en forma efectiva el circuito de la figura 1 al de la figura 2.

Es posible generalizar este análisis para un circuito con fuentes de corriente. Las corrientes en el segundo miembro de la ecuación pueden expresarse en términos del voltaje y las resistencias individuales usando la ley de Ohm, con lo que la ecuación de la LKC se reduce a
Ahora considerando el circuito con resistores en paralelo de la figura 3 y aplicando la ley de Kirchhoff de corriente al nodo superior, se obtiene

Aplicando la ley de Ohm
Donde
De tal manera que en lo que a la fuente se refiere, la figura 3 puede reducirse al circuito equivalente que se muestra en la figura 4.

La división de corriente de cualquier rama puede calcularse usando la ley de Ohm y las ecuaciones anteriores. Por ejemplo, para la j-ésima rama de la red de la figura 3,
En general,
Que define la regla de la división de corriente para el caso general.
Problemas resueltos
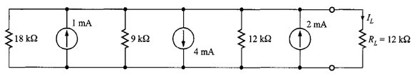
Problema 1. Dado el circuito de la figura 5, se desea encontrar la corriente en el resistor de la carga es 12 kΩ.

Solución. Para simplificar la red de la figura 5 se suman algebraicamente las fuentes de corriente, y los resistores en paralelo se combinan de la siguiente manera; para las fuentes de corriente (usando LKC en el nodo superior)
Y para las resistencias
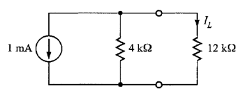
Usando estos valores se puede reducir el circuito de la figura 5 al de la figura 6.

Al aplicar la división de corriente se obtiene
Problema 2. En la red de la figura 7, encuentre la potencia que absorbe el resistor de 6 kΩ.

Solución. Simplificando la red, los resistores en paralelo se combinan de la siguiente manera
Y para las fuentes de corriente (usando LKC en el nodo superior)
En la figura 8, se muestra la red simplificada.

Calculando la corriente que fluye a través de 6 kΩ
Finalmente, calculando la potencia en el resistor de 6kΩ