Introducción
El principio de superposición proporciona esta habilidad para reducir un problema complejo a varios problemas más simples, cada uno con una fuente independiente única, y establece que
«En cualquier circuito lineal con varias fuentes independientes, la corriente o el voltaje en cualquier punto de la red puede calcularse con la suma algebraica de las contribuciones individuales de cada fuente actuando sola.»
Cuando se determina la contribución de una fuente independiente, todas las fuentes de voltaje restantes se hacen cero reemplazándolas con un cortocircuito, mientras que todas las fuentes de corrientes restantes se hacen cero sustituyéndolas con un circuito abierto.
Aunque la superposición se puede aplicar en redes lineales con fuentes dependientes, esto no es útil porque la fuente dependiente nunca es cero.
La superposición es aplicable a un circuito con cualquier número de fuentes dependientes e independientes. Es una propiedad fundamental de las ecuaciones lineales y puede aplicarse a cualquier efecto que esté relacionado linealmente con su causa. A este respecto, es importante señalar que, aun cuando la superposición se aplica tanto a la corriente como al voltaje en un circuito linea, no puede usarse para determinar la potencia, ya que ésta no es una función lineal.
Problemas resueltos
Problema 1. Considerar el circuito de la figura 1, en donde no se especifican los valores reales de las fuentes de voltaje. Obtener las ecuaciones para y
utilizando el principio de superposición.

Solución. La superposición se aplica de la siguiente forma: debe ser cero para que únicamente actúe
; esto significa que la fuente
es reemplazada por un cortocircuito (figura 2).

Se emplea el circuito de la figura 2 para determinar el valor de producido sólo por
, y este valor se denota
. Aplicando la ley de Ohm, resulta
Para obtener el valor de , se utiliza el divisor de corriente
Ahora, haciendo un cortocircuito en la fuente , es decir,
, se tiene el circuito de la figura 3.

Luego, aplicando la ley de Ohm, el valor de es
Para obtener
Finalmente, sumando los valores de y de
, se obtiene el valor de
.
También se aplica el mismo procedimiento para obtener el resultado de .
En conclusión, se tienen las ecuaciones esperadas.
Problema 2. Utilice la superposición para encontrar en el circuito de la figura 4.

Solución. Para aplicar la superposición, primero se debe encontrar la contribución de la fuente de 2 mA en el voltaje de salida utilizando la división de corriente en la red de la figura 5 (haciendo que la fuente de voltaje actúe como un cortocircuito).

entonces
Así, se sabe que el valor de es
Ahora, se hace que la fuente de corriente se comporte como circuito abierto (figura 6).

Para determinar el valor de , solo basta con utilizar la división de voltaje.
Finalmente, sumando los resultados anterior, el valor de es
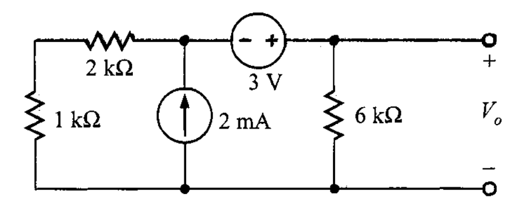
Problema 3. Dada la siguiente red (figura 7), usar la superposición para calcular .

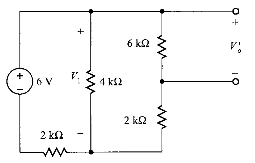
Solución. Para aplicar la superposición, primero se hace que la fuente de corriente se comporte como circuito abierto (figura 8), provocando la contribución de la fuente de 6 V a .

Realizando un acomodo en la red, se tiene que lo siguiente (figura 9)

Después, se observa que los resistores de 2 kΩ y 6 kΩ están en serie y ambas están en paralelo con el resistor de 4 kΩ.
Por división de voltaje se puede determinar y es

Con esto es posible calcular .
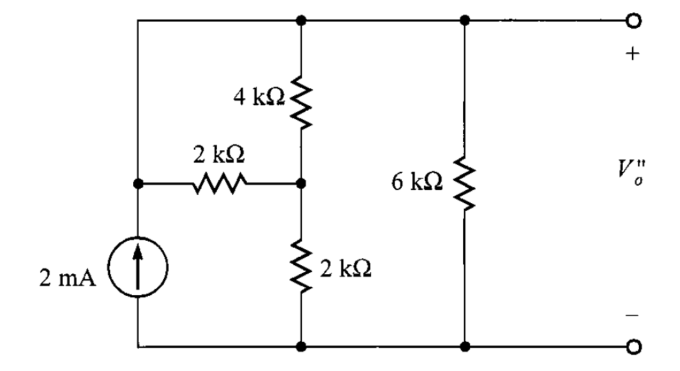
Ahora, haciendo que la fuente de voltaje se comporte como un cortocircuito, se tiene el siguiente circuito (figura 11).

En la figura 11, se observa que los resistores de 2 kΩ y 4 kΩ están en paralelo; su resultado es
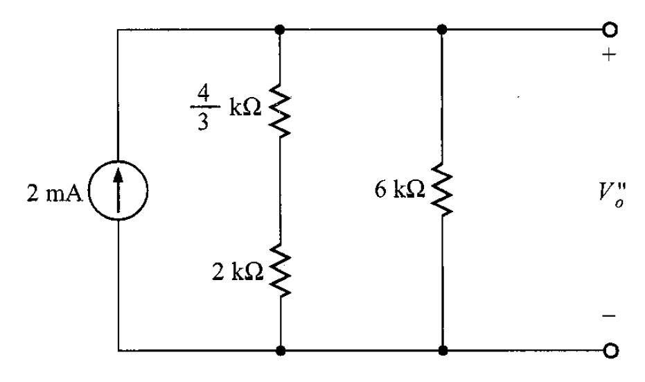
Reduciendo el circuito, en la figura 12 se muestra la siguiente modificación.

En la figura 12 se observa que el voltaje es el producto de la fuente de corriente y la combinación en paralelo de las resistencias de 4/3 kΩ y 2 kΩ con 6 kΩ. Entonces
Finalmente, sumando los resultados de y
se obtiene el valor final de
.