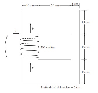
Problema. En la figura 1.1.2, se muestra un núcleo ferromagnético. La profundidad del núcleo es de 5 cm. Las demás dimensiones del núcleo se pueden ver en esa figura. Encuentre el valor de la corriente producida por un flujo de 0.005 Wb. Con esta corriente, ¿cuál es la densidad en la parte superior del núcleo? ¿Cuál es la densidad de flujo en la parte derecha del núcleo? Suponga que la permeabilidad relativa del núcleo es de 800.

Solución. Analizando los datos que brinda el problema, la profundidad del núcleo es de 5 cm y el flujo es de 0.005 Wb. Observando el núcleo ferromagnético, se tienen las siguientes longitudes:
En la parte superior del núcleo
En la parte inferior del núcleo
En la parte derecha del núcleo
En la parte izquierda del núcleo
Cada longitud pertenece a una parte del núcleo ferromagnético, por lo que cada parte va a representar una reluctancia. Entonces, el cálculo de las reluctancias para cada longitud es la siguiente:
Parte superior del núcleo
Parte inferior del núcleo
Parte derecha del núcleo
Parte izquierda del núcleo
Comparando el análisis del núcleo ferromagnético con un circuito eléctrico, se puede determinar la reluctancia total como una suma en serie de todas las reluctancias calculadas. Es decir
La fuerza magnetomotriz es
Del enunciado, la corriente producida por el flujo dado es
La densidad en la parte superior del núcleo es
Y la densidad en la parte derecha del núcleo es