Problema 1. Un transformador de distribución de 100 (kVA) y 8000/277 (V) tiene las siguientes resistencias y reactancias.
Las impedancias de la rama de excitación se dan referidas al lado de alto voltaje del transformador.
a) Encuentre el circuito equivalente de este transformador referido al lado de bajo voltaje.
b) Encuentre el circuito equivalente por unidad de este transformador.
c) Suponga que este transformador suministra una carga nominal de 277 (V) y FP = 0.85 en retraso. ¿Cuál es el voltaje de entrada de este transformador? ¿Cuál es su regulación de voltaje?
d) ¿Cuáles son las pérdidas de cobre y las pérdidas del núcleo en este transformador bajo las condiciones del inciso c?
e) ¿Cuál es la eficiencia del transformador en las condiciones del inciso c?
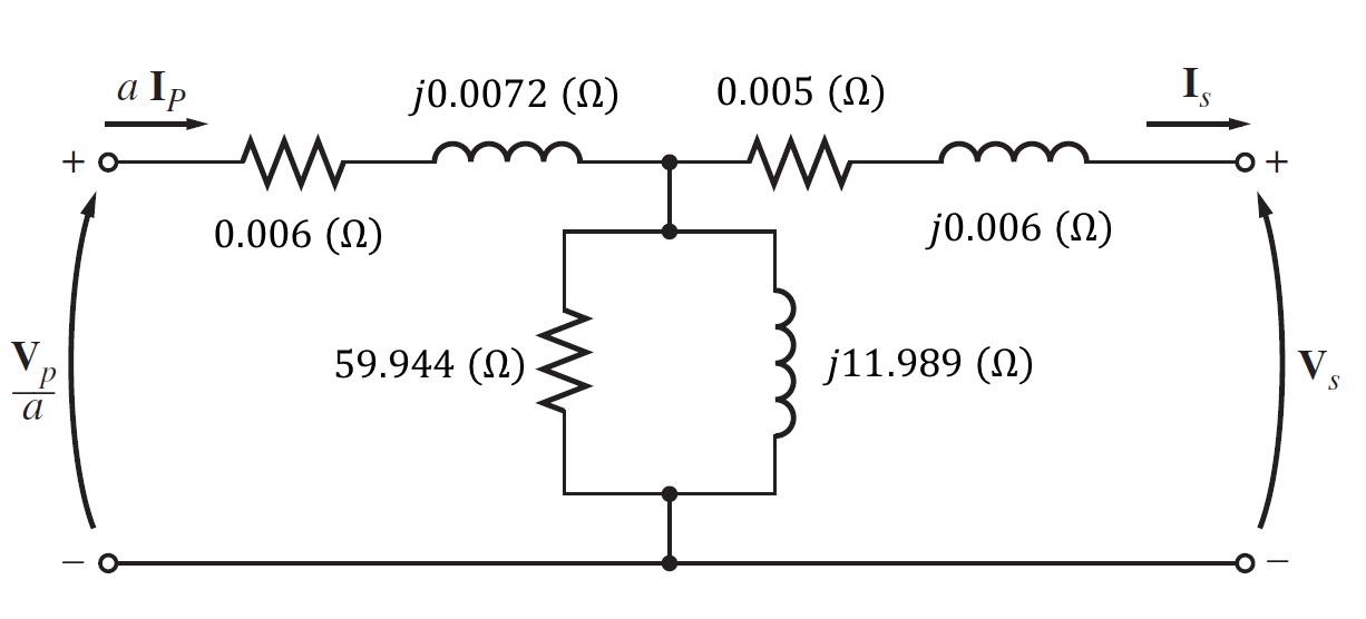
Solución a). Para encontrar el circuito equivalente para un transformador referido al lado de bajo voltaje, primero se determina la relación de este transformador
Después
El modelo para este transformador se muestra en la figura 2.1.1

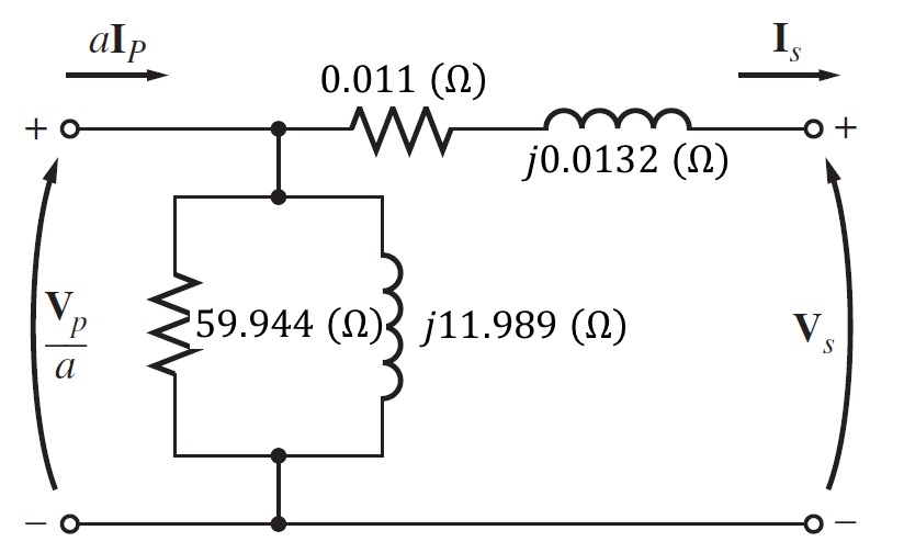
Ahora, el circuito de la figura anterior puede reducirse a un más. Los datos a tomar son
El nuevo circuito (ya reducido) se llama modelo aproximado de un transformador referido al lado de bajo voltaje se muestra en la figura 2.1.2

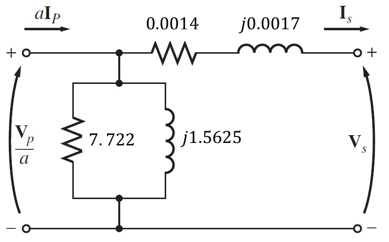
Solución b). Para obtener el circuito equivalente por unidad, se deben elaboran los siguientes cálculos. El voltaje de base y la potencia aparente en el lado secundario son
y
La corriente base es
La impedancia base del circuito secundario es
La impedancia del transformador referido al lado de bajo voltaje es
Entonces, la impedancia equivalente por unidad es
Los demás elementos tiene el siguiente resultado
Así que, el circuito equivalente por unidad para el transformador referido al lado de bajo voltaje es

Solución c). Para calcular el valor del voltaje de entrada, se determinan los siguientes datos (tomando la figura 2.1.2, es decir, al lado de bajo voltaje):
F. P. (factor de potencia)
°
Voltaje nominal
El fasor del voltaje
° (V)
Fuente de potencia aparente nominal del transformador
Corriente nominal
Fasor de la corriente
° (A)
Tomando la fórmula para determinar el voltaje de entrada
° (V)
La regulación de voltaje es
%
%
%
Solución d). Las pérdidas del cobre bajo las condiciones del inciso c) se calculan utilizando la siguiente fórmula
Las pérdidas en el núcleo se determinan calcula la fórmula
Solución e). La eficiencia del transformador bajo las condiciones del inciso c) se determina utilizando la fórmula
%
Sustituyendo
%
%