Problema. El devanado secundario de un transformador real tiene un voltaje terminal de . La relación de vueltas del transformador es de
. Si la corriente secundaria del transformador es de
, ¿cual es la corriente primaria de este transformador? ¿cual es su regulación de voltaje y su eficiencia? Las impedancias de este transformador referidas al lado primario son
,
,
,
.
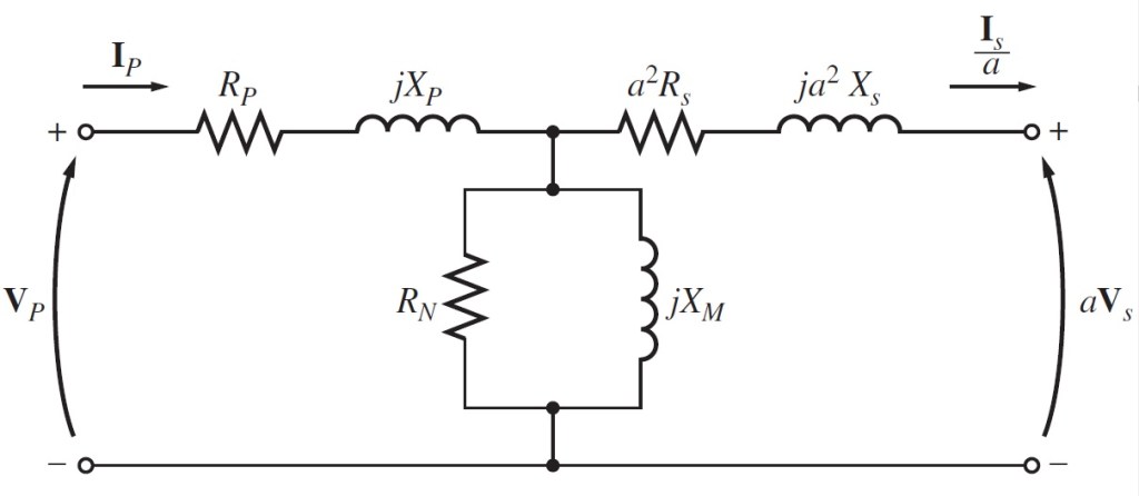
Solución. A continuación, se presenta el circuito equivalente del transformador ideal

El voltaje terminal se convierte al dominio de la frecuencia
Y la corriente secundaria también se convierte al dominio de la frecuencia
El problema menciona que las impedancias de este transformador referidas al lado primario, por lo que, en la figura 2.3.1, se necesita referir al lado primario, quedando de la siguiente manera

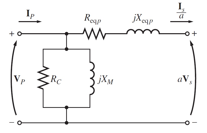
Reduciendo un poco más

Donde, los datos calculados para el último circuito (figura 2.3.3) son:
Resistencia equivalente del lado primario
R
Reactancia equivalente del lado primario
Voltaje del lado secundario del transformador referido al lado primario
Corriente del lado secundario del transformador referido al lado primario
Impendancia equivalente del transformador equivalente referido al lado primario
Voltaje primario del transformador
Corriente por pérdidas en el núcleo
Corriente de magnetización
Corriente de excitación
Respondiendo la primera pregunta, la corriente primaria total del transformador es
La regulación de voltaje de este transformador es
%
%
%
Y la eficiencia de este transformador se calcula determinando la potencia de entrada
Y la potencia de salida
Entonces
%