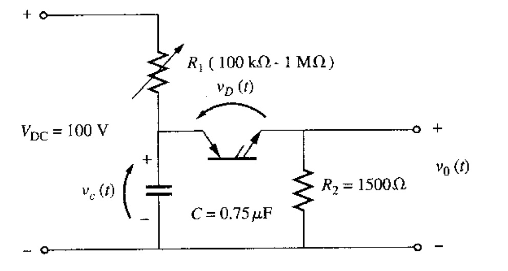
Problema. La figura muestra un oscilador de relajación con los siguientes parámetros:
a) Dibuje los voltajes ,
y
de este circuito.
b) Si se dimensiona normalmente como
, calcule el periodo de este oscilador de relajación.

Solución a). Los voltajes ,
y
se muestran a continuación

Figura 3.8.2 
Figura 3.8.3 
Figura 3.8.4
Se observa que los voltajes y
muestran el mismo aspecto durante la parte ascendente del ciclo. Después, de que el diodo PNPN dispare, los voltajes a través del capacitor, decae con una constante de tiempo
, mientras que el voltaje a través del diodo disminuye inmediatamente.
Solución b). Cuando el voltaje se aplica por primera vez al circuito, el capacitor carga con la constante de tiempo
. La ecuación para el voltaje en el capacitor como una función del tiempo durante la parte de carga del ciclo es
Resolviendo por factor integrante
Para determinar la constante de integración (es decir, ), basta con utilizar la condición inicial
y aplicarlo en último resultado
Entonces
Como
El tiempo en que el capacitor alcanzará al voltaje ruptura se encuentra configurando y resolviendo para
Una vez de que el diodo PNPN dispara, el capacitor se descarga junto con la combinación en paralelo de las resistencias y
, así que la constante de tiempo para esta descarga es
La ecuación para el voltaje en el capacitor durante la parte de descarga del ciclo es
Resolviendo
Si
Por lo que
La corriente a través del diodo PNPN está dado por
Si se ignora la continua fuga de corriente desde , el tiempo en que
llega a
es
Para calcular el periodo del oscilador de relajación, solo basta con sumar los resultados de y
. Entonces
Y la frecuencia del oscilador de relajación es