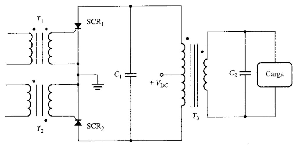
Problema. Explique la operación del circuito mostrado en la figura, y dibuje el voltaje de salida de este circuito.

Solución. Este es un circuito inversor de fuente de voltaje monofásico. La operación de este circuito es el siguiente:
1.Inicialmente, supone que ambos SCR están apagados. Luego, el voltaje del transformador será cero y el voltaje
será caído a través de
y
.
2. Ahora, aplicando un pulso al transformador a que encienda al
. Cuando esto ocurre, se tiene el siguiente circuito

ya que la parte superior del transformador está aterrizado, un voltaje aparece en la parte superior del devanado. Este voltaje induce un voltaje correspondiente a la mitad inferior del devanado, cargando al capacitor
subiendo a un voltaje de
.
3. Ahora, suponga que un pulso es aplicado al transformador . Cuando esto ocurre, el
se vuelve un cortocircuito y el
está apagado por voltaje inverso aplicado a él por el capacitor
(conmutación forzada). Al mismo tiempo, el circuito se muestra a continuación

Ahora los voltajes en el transformador están invertidos, cargando el capacitor elevando a un voltaje
en la dirección opuesta. Cuando el
es otra vez disparado, el voltaje en el
apagará al
.
El voltaje de salida de este circuito sería aproximadamente la onda cuadrada, excepto que el capacitor lo filtra un poco.

La discusión anterior asume que el transformador nunca está en cualquier estado para que lo sature.