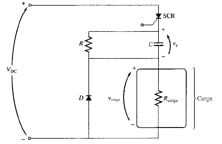
Problema. Un circuito recortador de conmutación forzada con condensador en serie alimenta una carga puramente resistiva como se muestra en la figura.

a) Si se enciende el SCR, ¿cuánto tiempo permanecerá encendido? ¿Por qué se apagará?
b) Si se apaga el SCR, ¿cuánto tiempo transcurrirá hasta que el SCR pueda ser encencido de nuevo? (Suponga que deben pasar tres constantes de tiempo antes de que el condensador se descarge.)
c) ¿Qué dificulta o dificultades revelan estos cálculos acerca de este circuito recortador sencillo de conmutación forzada con condesador en serie?
d) ¿Cómo se puede eliminar la(s) dificultad(es) descrita(s) en el inciso c)?
Solución a). Cuando el SCR esté encendido, permanecerá encendido hasta que la corriente a través de él descienda por debajo de . Esto ocurre cuando el capacitor se cargue hasta un voltaje suficientemente alto para reducir la corriente por debajo de
. Si se ignora la resistencia (porque es mucho más grande que
), el capacitor carga a través del resistor
con una constante de tiempo
La ecuación para el voltaje en el capacitor como una función del tiempo durante la parte de carga del ciclo es (utilizando la ley de corriente de Kirchhoff)
Resolviendo por factor integrante
Tomando la condición inicial , el valor de
es
Entonces
La corriente a través del capacitor es
Despejando , resulta
La corriente a través del SCR consiste de la corriente a través del resistor más la corriente a través del capacitor. La corriente a través del resistor
es
y la corriente de mantenimiento del SCR es de 6 (mA), provocando que el SCR se apague cuando la corriente a través del capacitor disminuya a 2 (mA). La corriente en el tiempo
Solución b). El SCR puede estar encendido una vez más el capacitor se ha descargado. El capacitor se descarga a través del resistor . Puede ser considerado para estar completamente descargado después de tres constantes de tiempo. Ya que
Por lo que el SCR estará listo para disparar otra vez después de 9 segundos.
Solución c). En este circuito, el tiempo de encendido es mucho más corto que el resto del tiempo para el SCR, por lo que la potencia puede fluir a la carga solo a una fracción muy pequeña de tiempo. (Este efecto sería menos exagerado si el radio de a
fuera más pequeño).
solución d). Este problema puede ser eliminado usando un circuito de conmutación en serie más complejo. Estos circuitos complejos proporcionan rutas especiales para descargar rápidamente el capacitor, de tal modo que el circuito pueda ser disparado lo más pronto posible.