Problemas resueltos
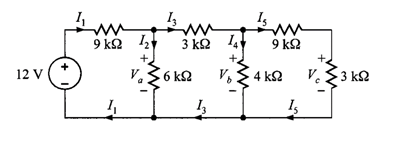
Problema 1. Se desea encontrar todas las corriente y voltajes marcados en la red de escalera de la figura 1.

Solución. El análisis comenzará en el extremo derecho del circuito, combinando los resistores para determinar la resistencia total vista por la fuente de 12 V. Esto ayudará a calcular la corriente . Después podrán calcularse todas las corrientes y voltajes de la red aplicando las leyes de Ohm, LKV y LKC o división de voltaje y corrientes.
En el extremo derecho del circuito, los resistores de 9 kΩ y 3 kΩ están en serie, por lo que se pueden combinar en un resistor equivalente de 12 kΩ.
Este resistor está es paralelo con el de 4 kΩ, y su combinación produce un resistor equivalente de 3 kΩ.
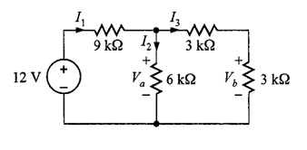
La primera parte del extremo derecho del circuito se ilustra en la figura 2.

En esta figura, los dos resistores de 3 kΩ están en serie,
y su combinación está en paralelo con el resistor de 6 kΩ
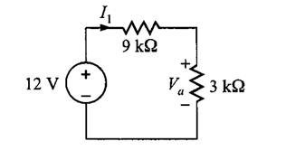
Al combinar estas tres resistencias se llega al circuito de la figura 3.

Al aplicar la ley de Kirchhoff de voltaje al circuito de la figura 3 se obtiene
puede calcularse con la ley de Ohm o usando la ley de Kirchhoff de voltaje,
| Ley de Ohm | Ley de Kirchhoff de voltaje (LKV) |
Una vez que se conocen los valores de y
, es posible determinar todas las corrientes y voltajes de la figura 2. Dado que
la corriente
puede calcularse con la ley de Ohm
Para obtener , puede calcularse utilizando la ley de Kirchhoff de corriente o con la ley de Ohm
| Utilizando LKC | Utilizando ley de Ohm |
Es posible calcular al aplicar la ley de Kirchhoff de voltaje al lazo de la derecha de la figura 2, o también, se puede usar la ley de Ohm, dado que
es igual a la caída de voltaje en el resistor de 3 kΩ.
| Utilizando LKV | Utilizando ley de Ohm |
Ahora ya es posible calcular las corrientes y voltajes desconocidos finales de la figura 1. Al conocer se puede calcular
usando la ley de Ohm
Así, puede calcularse a partir de la ley de Kirchhoff de corriente o usando la regla de la división de corriente
| Utilizando LKC | Utilizando división de corriente |
Finalmente, se calcula por medio de la ley de Ohm (ya que
circula a través del resistor de 3 kΩ) o usando la división de voltaje (esto es, el voltaje
se divide entre los resistores de 9 kΩ y de 3 kΩ, por la figura 1). Entonces,
| Utilizando la ley de Ohm | Utilizando la división de voltaje |
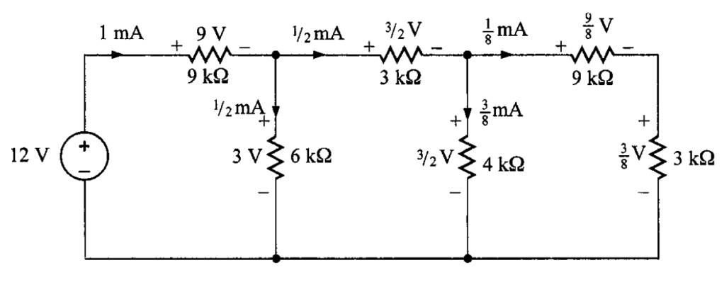
En la figura 4 se muestra el circuito con los cálculos obtenidos de cada corriente y voltaje.

Problema 2. Dado el circuito de la figura 5, con , encuentre el voltaje de la fuente
.

Solución. Por la ley de Ohm, se determina
Calculando
Al aplicar la ley de Kirchhoff en el nodo y se obtiene
Entonces, por la ley de Ohm se tiene
Ahora se puede calcular , dado que se conoce
Al aplicar la ley de Kirchhoff en el nodo x se obtiene
Si se aplica la LKV a cualquier trayectoria cerrada que contenga a se puede conocer el valor de su fuente de entrada. Por ejemplo, si la trayectoria es el lazo externo, por la LKV se obtiene
Si se hubiera seleccionado la trayectoria que contiene a la fuente y los puntos ,
y
, se habría obtenido