Introducción
Se considera el circuito con una fuente de corriente controlada por corriente mostrado en la figura 1.

En el nodo 1, aplicando la LKC, su ecuación es
Como , resulta que

En el nodo 2, aplicando la LKC, su ecuación es

Así que el sistema de ecuaciones es
Recordando que
Problemas resueltos
Problema 1. Determine los voltajes de nodo y las corrientes de rama en la red de la figura 4 con base en los siguientes parámetros: ,
,
,
,
.

Solución.
En el nodo 1, aplicando la LKC, su ecuación es
Como , resulta que

En el nodo 2, aplicando la LKC, su ecuación es

Así que el sistema de ecuaciones es
Recordando los parámetros: ,
,
,
,
, se sustituyen en el sistema de ecuaciones.
Simplificando
Expresándolo en forma matricial
Su forma general es
Para llegar al resultado
es necesario obtener la inversa de , y para ello se debe determinar su matriz adjunta traspuesta y su determinante. La determinante de
es
La matriz adjunta de , se debe determinar los menores de la misma
así que
y la traspuesta de la matriz adjunta de es
Entonces, la inversa de es
Regresando a la expresión matricial
Despejando ,
Realizando la multiplicación matricial en el segundo miembro (sin olvidar que y
), resulta
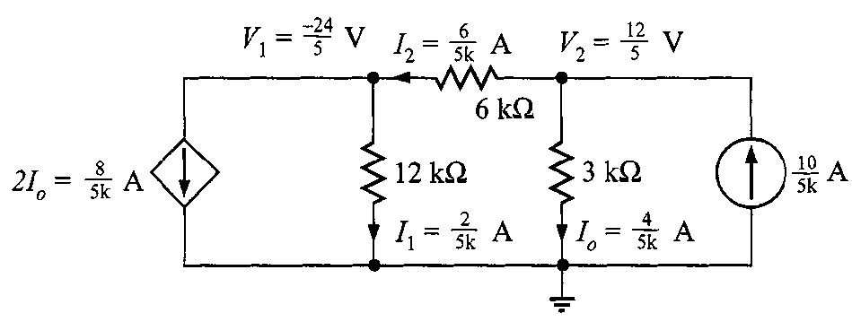
Así que los voltajes en cada nodo son y
. Ahora solo falta calcular las corrientes de rama.
La corriente que pasa a través de es
La corriente que pasa a través de es
La figura 7 muestra todos los resultados obtenidos.

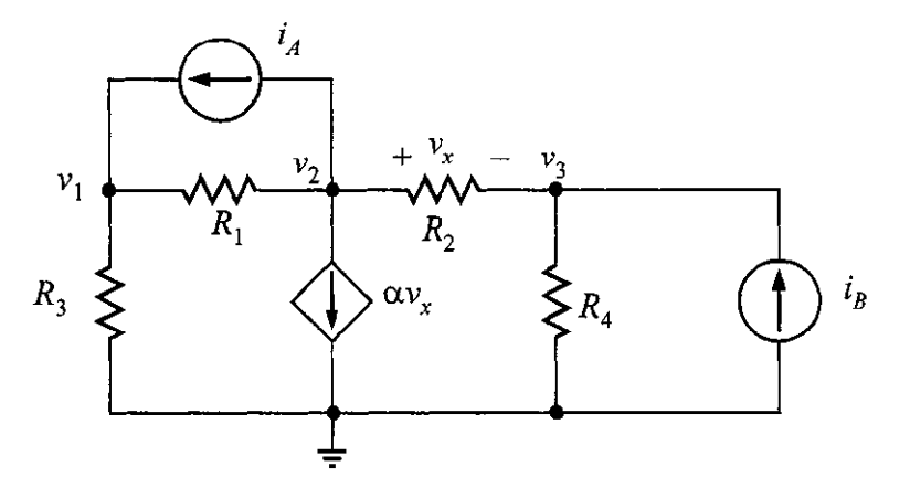
Problema 2. Determinar el conjunto de ecuaciones linealmente independientes cuya solución produce los voltajes de nodo para la red de la figura 8. Calcule después los voltajes de nodo dados los siguientes valores para los componentes: ,
,
,
,
y
.

Solución. Se analiza cada nodo utilizando la LKC. En el nodo 1 se tiene

En el nodo 2, se tiene

Si , entonces
Y en el nodo 3,

Tomando todas las ecuaciones calculadas en cada nodo, se tiene el siguiente sistemas de ecuaciones
Recordando los parámetros del problema ,
,
,
,
y
, al sustituirlos resulta
Simplificando
Por esta ocasión cada coeficiente se expresará en términos decimales. Así que
Expresando este sistema de ecuaciones en forma matricial resulta
Que es similar a
Despejando
Así que es necesario determinar la inversa de , donde
El determinante de es
La matriz adjunta de es
donde es el cofactor correspondiente y se calcula utilizando la fórmula
donde es el menor del elemento
y para encontrar el valor de cada menor, se realiza lo siguiente
Teniendo los resultados de cada menor, se puede calcular cada cofactor
Así, la matriz adjunta es
Por lo que su traspuesta es
Así que, la matriz inversa de es
Regresando a la expresión matricial
Despejando
Realizando la multiplicación matricial en el segundo miembro resulta
Finalmente, los voltajes de cada nodo son ,
y
.