Problemas resueltos
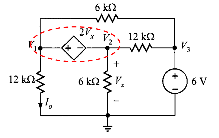
Problema 1. Se desea encontrar en la red de la figura 1.

Solución. Se observa (en la figura 1) que la fuente de voltaje independiente está conectada entre el nodo que no es de referencia nombrado como y el de referencia, una de las dos ecuaciones linealmente independientes es
Y la ecuación de control es
Luego, aplicando la LKC en el nodo 2, resulta
Sabiendo que y
,

Finalmente, la corriente se obtiene
Problema 2. Hallar en la red de la figura 3.

Solución. Se observa (en la figura 3) que de voltaje dependiente está conectada entre el nodo y el nodo de referencia.
Y también
Sustituyendo estas dos obtenidas, se tiene que
Luego, aplicando la LKC en el nodo 2, resulta

Recordando que
Entonces
Finalmente, es
Problema 3. Encontrar la corriente en la red de la figura 5.

Solución. Este circuito contiene tanto una fuente de voltaje independiente como una fuente de voltaje controlada por voltaje. Se observa que ,
, y existe un supernodo entre los nodos
y
, la cual, su ecuación de restricción es
Recordando que
Aplicando la LKC al supernodo se obtiene

Recordando que y
, resulta
Así que el valor de es
Finalmente, la corriente es