Problemas resueltos
Problema 1. Considere el circuito de la figura 1. Se desea encontrar la corriente .

Primer método
Solución. Se desarrollará el análisis escribiendo las ecuaciones de malla. Se observa que no hay signos «+» y «-» en los resistores. Sin embargo, no son necesarios, ya que se aplicará la ley de Ohm a cada elemento resistivo al momento de escribir las ecuaciones de LKV. La ecuación para la primera malla es

Y aplicando LKV en la segunda malla resulta

Tomando las ecuaciones desarrolladas, se tiene el sistema
Expresándolo en forma matricial
Mostrando en forma general
Despejando
Esto significa que se debe hallar la inversa de , que se obtiene calculando su determinante y su matriz adjunta traspuesta.
Como este circuito cuenta con tres nodos, la determinante de se calcula de la siguiente manera
La matriz adjunta de se calcula como
donde es el cofactor correspondiente y se calcula utilizando la fórmula
donde es el menor del elemento
y para encontrar el valor de cada menor, se realiza lo siguiente
Teniendo los resultados de cada menor, se puede calcular cada cofactor
Así, ya es posible conocer el resultado de la matriz adjunta de
Una vez calculada la matriz adjunta, puede determinarse su traspuesta.
Teniendo los resultados de su matriz adjunta traspuesta y de su determinante, es posible determinar su inversa
Posteriormente, sustituyendo y realizando la multiplicación matricial, es posible encontrar los valores de e
.
Las corrientes hallas son y
. El valor de
es
Segundo método
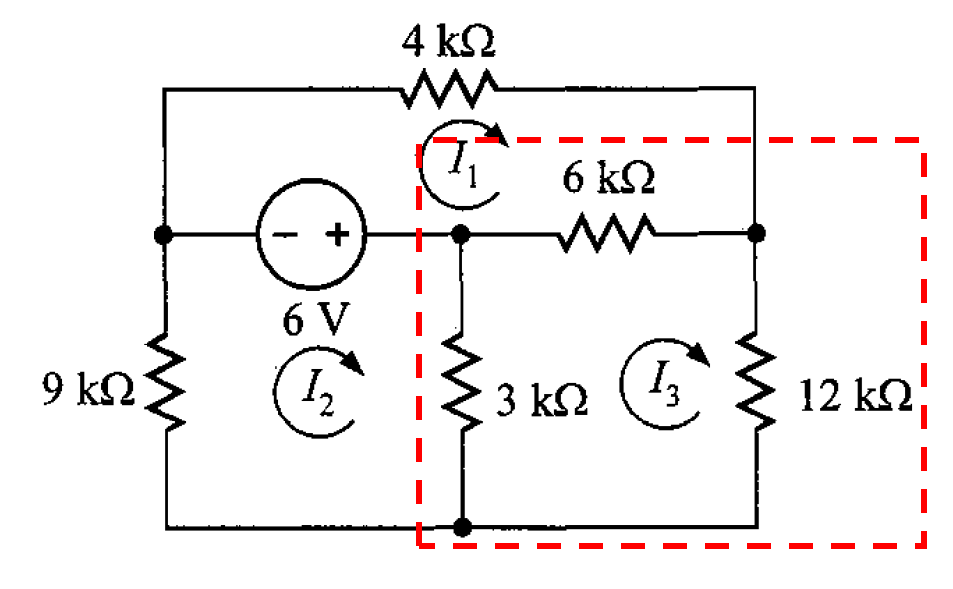
Dado que se desea calcular la corriente , se puede aplicar el análsiis de lazos como se muestra en la figura 4.

Se observa que la corriente de lazo pasa por el tramo central de la red y, por lo tanto,
. Aplicando la LKV en le primer lazo, su ecuación es

Y para el segundo lazo

Tomando las ecuaciones desarrolladas, se tiene el sistema
Expresándolo en forma matricial
Mostrando en forma general
Despejando
Esto significa que se debe hallar la inversa de , que se obtiene calculando su determinante y su matriz adjunta traspuesta.
Como este circuito cuenta con tres nodos, la determinante de se calcula de la siguiente manera
La matriz adjunta de se calcula como
donde es el cofactor correspondiente y se calcula utilizando la fórmula
donde es el menor del elemento
y para encontrar el valor de cada menor, se realiza lo siguiente
Teniendo los resultados de cada menor, se puede calcular cada cofactor
Así, ya es posible conocer el resultado de la matriz adjunta de
Una vez calculada la matriz adjunta, puede determinarse su traspuesta.
Teniendo los resultados de su matriz adjunta traspuesta y de su determinante, es posible determinar su inversa
Posteriormente, sustituyendo y realizando la multiplicación matricial, es posible encontrar los valores de e
.
Las corrientes hallas son y
. El valor de
es
Problema 2. Resolver las corrientes de malla que se muestra en el circuito de la figura 6.

Solución. Se tiene el siguiente análisis

En el primer lazo, al utilizar la LKV, se tiene la ecuación siguiente

En el segundo lazo, se obtiene la siguiente ecuación

Y en el tercer lazo

Tomando las ecuaciones calculadas, se tiene el siguiente sistema
Expresándolo en forma matricial
Mostrando en forma general
Despejando
Esto significa que se debe hallar la inversa de , que se obtiene calculando su determinante y su matriz adjunta traspuesta. El determinante de
es
La matriz adjunta de se calcula como
donde es el cofactor correspondiente y se calcula utilizando la fórmula
donde es el menor del elemento
y para encontrar el valor de cada menor, se realiza lo siguiente
Teniendo los resultados de cada menor, se puede calcular cada cofactor
Así, ya es posible conocer el resultado de la matriz adjunta de
Una vez calculada la matriz adjunta, puede determinarse su traspuesta.
Teniendo los resultados de su matriz adjunta traspuesta y de su determinante, es posible determinar su inversa
Posteriormente, realizando la multiplicación matricial, es posible encontrar los valores de las incógnitas ,
e
.
Se concluye que ,
y
.