Problemas resueltos
Problema 1. Determinar el equivalente de Thévenin para la red de la figura 1 en las terminales A-B.

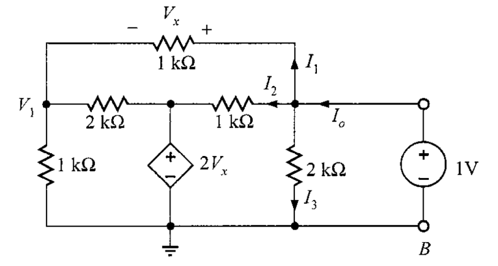
Solución. Para resolverlo, es necesario aplicar una fuente de voltaje independiente, cuyo valor sería de 1 V y que será conectado a las terminales A-B, provocando que (figura 2).

En la figura 2, al aplicar LKV alrededor del lazo externo, se tiene que
Al usar LKC en el nodo , su ecuación es
Con las ecuaciones obtenidas, se tiene el siguiente conjunto
Expresándolo en forma matrical
Entonces, y
. Luego, se determinarán los valores de las corriente
,
e
. La corriente
es
La corriente es
Y la corriente es
Por LKC, despejando , su valor es
Finalmente, la resistencia Thévenin es
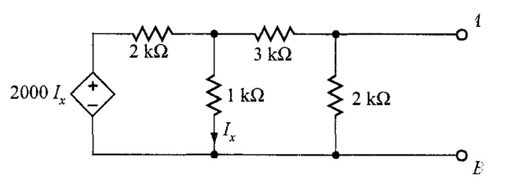
Problema 2. Determine en las terminales A-B de la red de la figura 3.

Solución. Para resolver este problema se conectará una fuente de corriente de 1 mA entre las terminales A-B, y con esto ayudará a calcular el voltaje de la terminal y posteriormente
(figura 4).

Con la ayuda del análisis de nodos, se determinarán las ecuaciones de cada uno en los nodos 1 y 2. En el primer nodo, su ecuación es
Y en el segundo nodo, su ecuación es
La ecuación de restricción es
Con estas tres ecuaciones, se tiene el siguiente sistema
| (1) | |
| (2) | |
| (3) |
Sustituyendo la ecuación (3) en (1), el sistema de ecuaciones se reduce a dos ecuaciones
| (1) | |
| (2) |
Simplificando
| (1) | |
| (2) |
Expresándolo en forma matricial, resulta
Así que y
.
Finalmente,