Problema resuelto
Problema 1. Usar el teorema de Thévenin para encontrar en la red de la figura 1.

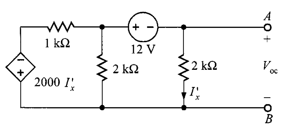
Solución. Se abre la red en los puntos A-B (figura 2).

Esta modificación hace que se tenga un nuevo circuito (figura 3) haciendo que la fuente sea ahora y un voltaje de circuito abierto asignado como
.

Después, aplicando la LKC en el supernodo (figura 4), se tiene la siguiente ecuación
La ecuación de restricción es
Sustituyendo la ecuación de restricción en la ecuación obtenida del supernodo, resulta que

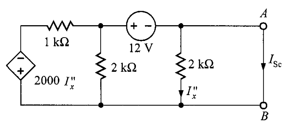
Luego, se cortocircuita las terminales A-B de la figura 4, teniendo otro circuito para determinar la corriente y esto hace que la fuente de corriente sea
(figura 5).

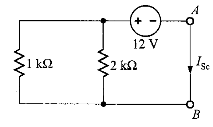
Al cortocircuitar las terminales A-B, provoca que sea cero y hace que la fuente dependiente sea un cortocircuito (figura 6).

Con este nuevo circuito mostrado en la figura 6, ya es posible calcular por medio de la ley de Ohm.
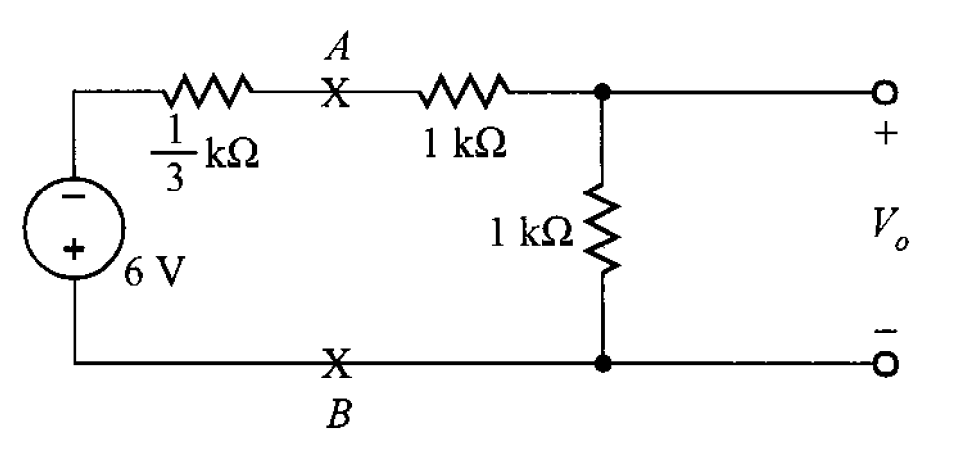
Con los resultado de y
, es posible determinar la resistencia de Thévenin.
Con estos resultados, se conecta el circuito equivalente de Thévenin con las terminales A-B que fueron desconectadas en un principio (figura 7).

Observando en la figura 7, para determinar el voltaje solo basta con aplicar la división de voltaje.