Introducción
En un amplificador operacional ideal, y
son infinitos y
es cero. Por tanto, la corriente por las entradas inversora y no inversora es nula en el amplificador operacional, y si éste no está saturado, dichas entradas tienen el mismo voltaje. En este tema se supondrá que los amplificadores operacionales son lineales y funcionan en la zona lineal siempre que no se especifique lo contrario.
Problema resuelto
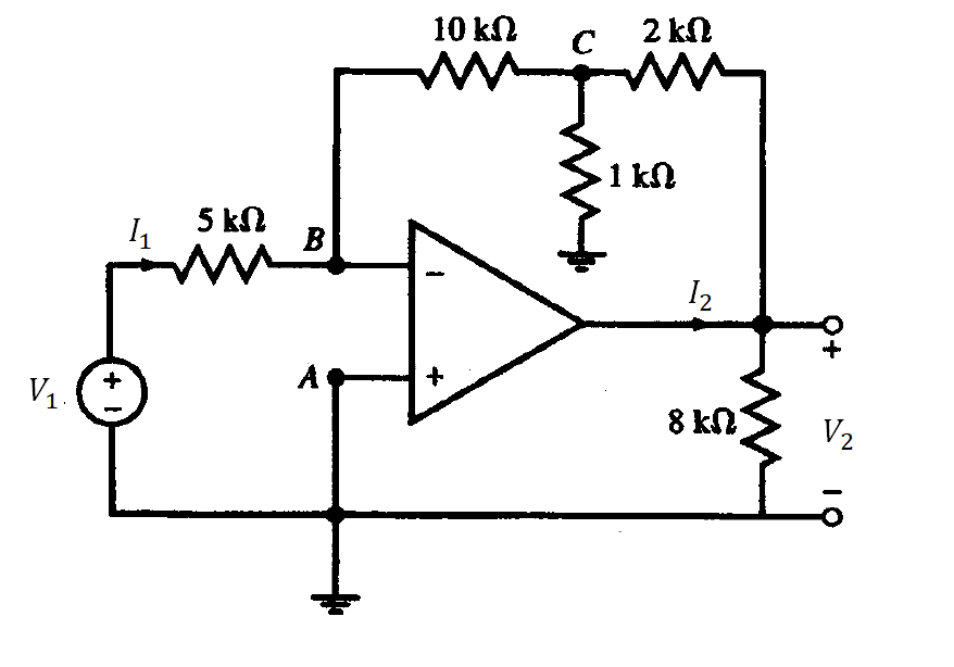
Problema 1. El amplificador operacional de la figura 1 es ideal y no está saturado. Calcular
- a)
- b) la resistencia de entrada
- c)
,
,
(potencia suministrada por
) y
(potencia disipada en las resistencias), suponiendo que
.

Solución del a). Se aplica la LKC a cada nodo para obtener la ecuación correspondiente. En el nodo A, se tiene que
En el nodo B,
como los voltajes de los nodos A y B son nulos, entonces
Y en el nodo C,
Teniendo las ecuaciones obtenidas en cada nodo
| (1) | |
| (2) | |
| (3) |
De la ecuación (2), se despeja .
Sustituyendo este despeje en la ecuación (3), resulta
Obteniendo la relación
Solución del b). Por ley de Ohm, se tiene que
Como las entradas del amplificador son cero, . Así que
Solución c). Del procedimiento del b) y y
, resulta
Por tanto,
Es necesario utilizar LKC para obtener
Del resultado del a),
despejando y sabiendo que
,
y también,
sustituyendo en la ecuación de
Por tanto,
La potencia suministrada por es
Para obtener la potencia disipada es necesario calcular primero la potencia en cada resistor. En la siguiente tabla se muestra los cálculos y resultados de la potencia potencia en cada resistor.
| Resistor de | |
| Resistor de | |
| Resistor de | |
| Resistor de | |
| Resistor de |
Sumando las potencias de cada resistor, se obtiene la potencia total disipada.