El análisis y los resultados obtenidos para el caso de circuitos con un solo amplificador operacional pueden aplicarse al caso de tener varios amplificadores operacionales ideales conectados en cascada o en lazos interconectados, ya que no hay efectos de carga.
Problemas resueltos
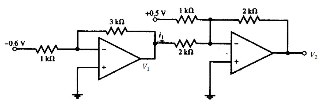
Problema 1. Calcular y
en la figura 1.

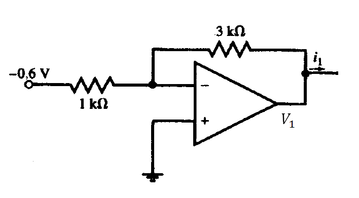
El primer amplificador operacional se trata de un circuito inversor. Calculando , resulta

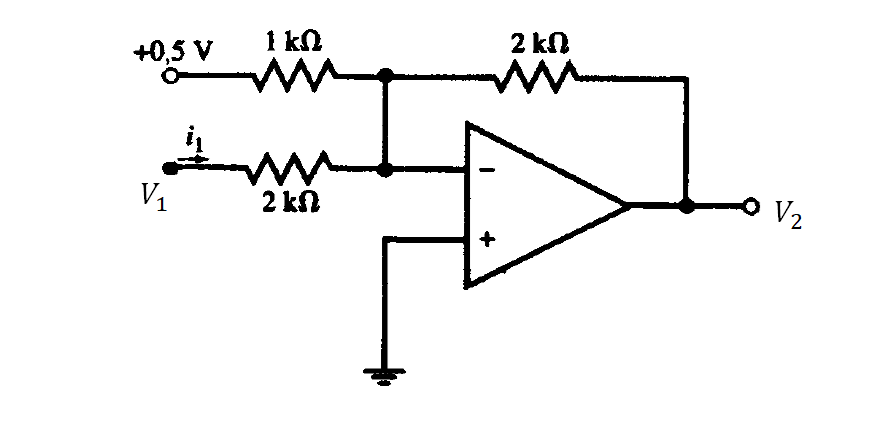
El segundo amplificador operacional es un sumador. Determinando resulta

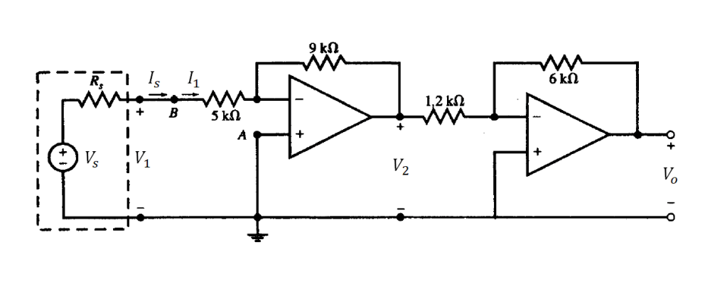
Problema 2. Suponiendo que en el circuito de la figura 4, calcular
,
,
,
,
e
en función de
para
- a)
- b)

Solución del a). Cuando .

En la figura 5, se observa que ambos amplificadores son circuitos inversores y están en cascada, donde . Además,
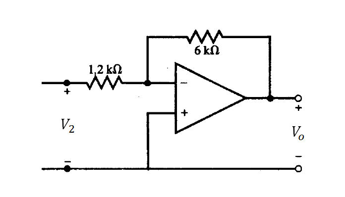
En la figura 6, por división de voltaje, el valor de es
El voltaje es
Sustituyendo el equivalente de
La corriente es
La corriente es

Con el apoyo de la figura 7, el es

Finalmente, lo resultados solicitados son: ,
,
,
,
y
.
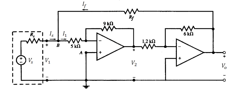
Solución del b). Cuando .
En este caso, se tendría el circuito de la figura 4 (nuevamente se muestra en la figura 8), que serían dos circuitos inversores.

Estudiando el primer amplificador, el voltaje es
En el segundo amplificador, el voltaje es
Basándose en la figura 4, aplicando la LKC en el nodo B, se tiene que
Recordando que ,
,
y
, resulta
Recordando la ecuación obtenida de , al sustituir con
, resulta
En el caso de ,
La corriente es
La corriente es
Y la corriente es
Cuando la corriente
en la resistencia de entrada de
del primer amplificador operacional es proporcionada por la salida del segundo amplificador operacional a través de la resistencia de realimentación de
. La corriente
procedente de
es, por tanto, cero. La resistencia de entrada del circuito es infinita.
Finalmente, lo resultados solicitados son: ,
,
,
,
y
.
Problema 3. Calcular en el circuito de la figura 9.

Solución. El primer amplificador operacional es un circuito inversor,

El segundo amplificador operacional se trata de un circuito sumador. Entonces

Recordando que
Problema 4. En el circuito de la figura 12 calcular .

Solución. En el primer amplificador operacional (lado izquierdo, figura 13) se trata de un circuito no inversor. Entonces

En el caso del segundo amplificador, se analizará por LKC en el nodo de la entrada inversora.
En este caso se observa que en el nodo de la entrada inversora , así

Continuando
Recordando que es