Introducción
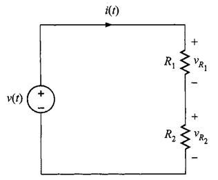
El enfoque consistirá con un circuito simple. Este circuito consiste en una fuente de voltaje independiente que está en serie con dos resistores. Se ilustra un flujo de corriente que va en el sentido de las manecillas del reloj (sentido horario). Si este supuesto es correcto, la solución de las ecuaciones que terminan la corriente dará un valor positivo. Si la corriente fluye en realidad en sentido opuesto, el valor de la variable correspondiente simplemente es negativo, indicando que la dirección del flujo es contraria a la supuesta. También se observan las asignaciones de polaridad de voltaje para y
.

Al aplicar la ley de Kirchhoff de voltaje se obtiene
Por la ley de Ohm se sabe que
y
Entonces
Resolviendo la ecuación para
Una vez que se conoce la corriente, al aplicar la ley de Ohm se puede determinar el voltaje para cada resistor
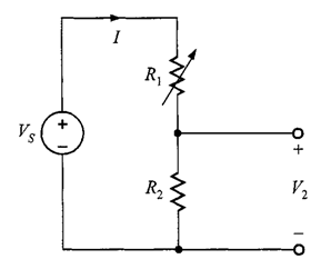
Problema resuelto
Problema 1. Considere el circuito de la figura 2. Se tiene que ,
y
.

Examinar cuál es el cambio tanto en el voltaje en como en la potencia que absorbe dicho resistor cuando
cambie de 90 kΩ a 15 kΩ.
Solución. Esto se trata de un circuito divisor de voltaje, el voltaje se puede obtener directamente como
Y determinando la potencia que absorbe el resistor
Cuando ,
tiene tiene un voltaje de
y con una potencia que absorbe de
.
Ahora, suponiendo que el resistor variable cambia de 90 kΩ a 15 kΩ, se tiene lo siguiente
Y la potencia absorbida por el resistor es
Cuando ,
tiene tiene un voltaje de
y con una potencia que absorbe de
.