Introducción
La segunda ley de Kirchhoff, denominada ley de Kirchhoff de voltaje (LKV), establece que la suma algebraica de los voltajes alrededor de cualquier lazo es cero.
En el caso de la ley de Kirchhoff de corriente, el signo algebraico interpreta si las corrientes entran o salen de un nodo. En la ley de Kirchhoff de voltaje, los signos se utilizan para llevar un registro de polaridad del voltaje. Es decir, al recorrer el circuito es necesario que la suma de todos los incrementos y decrementos del nivel de energía sea cero.
Finalmente, se emplea la convención para indicar el voltaje del punto
con respecto al punto
; esto es, la variable para el voltaje entre los puntos
y
, con el punto
considerado como positivo respecto de
. Dado que el potencial se mide entre dos puntos, es conveniente utilizar una flecha entre ellos, con la punta de la misma en el nodo positivo. Se observa las notaciones de doble subíndice, de + y -, y de flecha con una sola punta son equivalentes si la punta de la flecha apunta hacia la terminar positiva y al primer subíndice de la notación de doble subíndice. La figura 1 muestra todas estas formas equivalentes para indicar voltajes. La utilidad de la notación flecha radica en el hecho de que, en ocasiones, se desea marcar el voltaje entre dos puntos que están muy apartados en una red. En tal caso, las otras notaciones a menudo son confusas.

En general, la representación matemática de la ley de Kirchhoff de voltajes es
Donde es el voltaje en los extremos de la rama j-ésima (con la dirección de referencia apropiada) en un lazo con N voltajes.
Para saber utilizar adecuadamente la LKV, se aplicará en el siguiente circuito. Recorriendo en sentido horario (sentido de las manecillas del reloj)

Se tiene que
Si se desea despejar
Problemas resueltos
Problema 1. Considere el circuito de la figura 3. Encuentre , si se conocen los valores de
y de
que son 18 V y 12 V, respectivamente.

Solución. Primero se recorre el circuito e igualar con cero la suma de los incrementos y decrementos en el nivel de energía. Ya que en la red hay un lazo único, se tiene una sola trayectoria cerrada. Se adoptará la convención de tomar a los incrementos de nivel de energía como negativos y a los decrementos como positivos. Después, comenzando en el punto a para recorrer la red en el sentido de las manecillas del reloj, se obtiene la ecuación
Problema 2. Considere la red de la figura 4.

Demostrar que sólo dos de las tres ecuaciones de los lazos posibles con linealmente independientes.
Solución. En la red se observa que tiene tres trayectorias cerradas: el lazo izquierdo, el lazo derecho y el exterior. Aplicando la convención para escribir las ecuaciones de la LKV, y recorriendo el lazo izquierdo a partir del punto , se obtiene
La ecuación correspondiente al lazo derecho (partiendo del punto ) es
La ecuación para el lazo externo (partiendo del punto ) es
Por tanto, las ecuaciones obtenidas son
Si se suman las dos primeras ecuaciones se obtiene la tercera. Entonces las tres expresiones no son linealmente independientes.
Problema 3. Considere el ejercicio de la figura 5. Aplicar la LKV para determinar el voltaje entre dos puntos. Específicamente, en términos de la notación de doble subíndice, encuentre y
.

Solución. En la figura 6 se hace un nuevo trazo del circuito. Se observa que la notación flecha ubica los puntos y
, así como
y
no están próximos físicamente. El enfoque para determinar el voltaje desconocido consiste en aplicar la LKV incluyendo dicho voltaje en la trayectoria cerrada.

Entonces, se puede utilizar la trayectoria o
para determinar
. Las ecuaciones para ambas trayectorias, donde
es el único término desconocido, son
Y
Resolviendo cualquiera de las ecuaciones, se obtiene . Se puede calcular
usando las trayectorias
o
incluso antes de calcular
. Sin embargo, ya se conoce
, también se puede emplear la trayectoria
. La LKV para la trayectorias
es
La LKV para la trayectorias es
Y para la trayectorias es
En cada una de estas ecuaciones se obtiene .
Problema 4. Dada la red con una fuente dependiente de la figura 7, escribir las ecuaciones de la LKV para las trayectorias cerradas y
.

Solución. De la trayectoria , al aplicar la LKV se tiene que
Y de la trayectoria
Por tanto, las ecuaciones son
Problema 5. Para la red de la figura 8, encuentre los valores de y
.

Solución. Para determinar el voltaje se utilizará la trayectoria
y utilizando la LKV, se muestra lo siguiente
Y para calcular el voltaje se utilizará la trayectoria
.
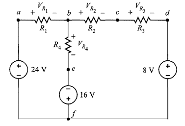
Problema 6. Para el circuito de la figura 9 encuentre el valor de .

Solución. Primero se estudia el lazo de todo el circuito, es decir, se tomará la trayectoria para determinar primero el valor de
. Aplicando la LKV
Por último, tomando la trayectoria y aplicando el LKV, se puede determinar el valor de
.