Problemas resueltos
Problema 1. Se desea encontrar en la red de la figura 1.

Solución. Se indican las corrientes de malla.

Se observa que e
pasan directamente por la fuente de corriente. Así que se tienen los valores:
e
, donde el último tiene signo negativo debido a la dirección del flujo de corriente.
Para encontrar el valor de , basta con desarrollar una ecuación. Para ello, analizando la siguiente figura y aplicando la LKV en la malla correspondiente, resulta

Recordando que y
,
Finalmente, el voltaje es
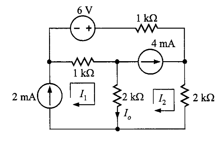
Problema 2. Encontrar para la red de la figura 4.

Primer método
Solución. Primero se seleccionan las corrientes de lazo e
, de tal modo que
pase directamente por la fuente de 2 mA, e
fluya directamente por la fuente de 4 mA.

Entonces, se tienen dos de las tres ecuaciones linealmente independientes
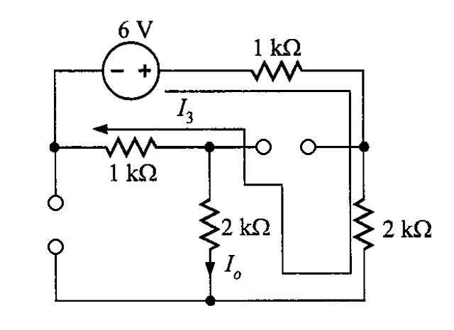
La corriente de lazo debe pasar por los elementos de circuito no abiertos por las dos ecuaciones anteriores y no puede pasar por las fuentes de corriente. Al colocar en circuito abierto las fuentes de corriente se obtiene la trayectoria para la corriente de lazo restante (figura 6).

Cuando se indican todas las corrientes sobre el circuito original (figura 7), ya es posible determinar la corriente I3 utilizando la LKV (utilizando sólo la trayectoria del lazo I3).

Entonces
Recordando que y
Por último, la corriente se determina así
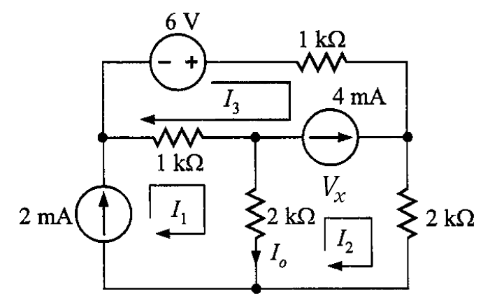
Segundo método
Solución. En este caso se especifican las tres corrientes de malla como se muestra en la figura 8, y dado que no se conoce el voltaje de la fuente de corriente de 4 mA, se asignará como .

Las corrientes de malla delimitadas por las fuentes de corrientes son
La ecuación de la LKV para la malla 2 es
y para la malla 3
Teniendo las ecuaciones obtenidas
Por esta ocasión, se realiza una suma de ambas ecuaciones anteriores.
Con esto se ha eliminado el voltaje . Las dos ecuaciones de restricción
junto con esta última ecuación, se obtiene el resultado esperado
Finalmente, la corriente es
Tercer método
Solución. Otra manera de resolverlo es utilizando la técnica de supermalla. La supermalla se crea eliminando la fuente de corriente de 4 mA (figura 9).

Respetando la trayectoria de la corriente , define la supermalla y se tiene una ecuación obtenida por la LKV.
Sin olvidar las dos ecuaciones de restricción
Al sustituirlas en la ecuación anterior resulta
Calculando la corriente , se tiene el resultado final