Problemas resueltos
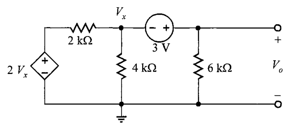
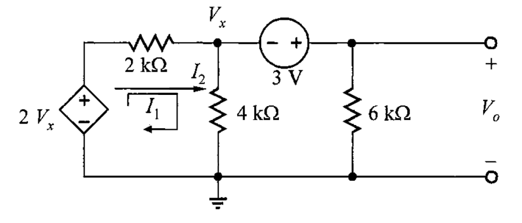
Problema 1. Encontrar en el circuito de la figura 1, el cual contiene una fuente de voltaje controlada por voltaje.

Solución. Se indican los lazos en el circuito para poder aplicar la LKV.

Después, del primer lazo, al aplicar LKV, su ecuación es

Y del segundo lazo, al aplicar LKV, su ecuación es

Tomando las ecuaciones obtenidas en cada lazo, se tiene el siguiente sistema
La ecuación de restricción es . Sustituyendo en el sistema de ecuaciones resulta que
Simplificando
Expresándolo en forma matricial
Donde su forma general es
Despejando , se tiene que
Por lo que es necesario determinar la matriz inversa de . Calculando su determinante, resulta
La matriz adjunta de es
así que
y la traspuesta de la matriz adjunta de es
Entonces, la inversa de es
Regresando al despeje de
Por lo que las corrientes halladas son y
. El valor de
es
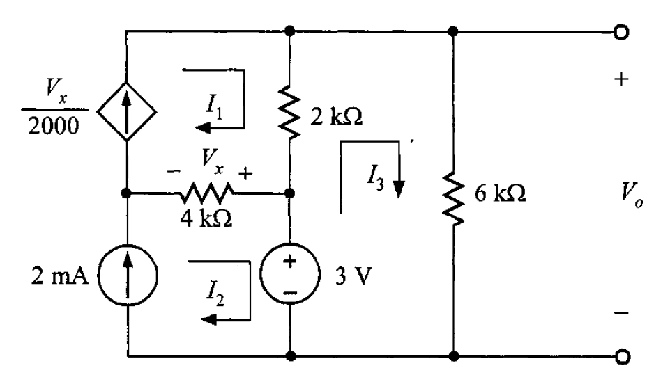
Problema 2. Encontrar el valor de en el circuito de la figura 5, el cual contiene una fuente de corriente controlada por voltaje.

Solución. Se identifican las corrientes de malla en el circuito dado.

Se observa que las corrientes e
son conducidas a través de las fuentes de corriente. Así que, las dos ecuaciones son
Ahora, en el caso de la tercera malla, al aplicar LKV su ecuación es

Recordando que , resulta
En la figura 5, se observa que . Aplicándolo en la expresión de
, se tiene lo siguiente
Sustituyendo en la ecuación anterior
Finalmente, el voltaje es
Problema 3. La red de la figura 8 contiene tanto una fuente de voltaje controlada por corriente como una fuente de corriente controlada por voltaje. Determinar las corrientes de lazo.

Solución. Se localizan las corrientes de lazo (figura 9).

Se observa que hay dos ecuaciones de restricción y son


Después, la corriente en la primera malla es
que por el momento, es conveniente expresarlo de esta manera
La corriente que conduce en la segunda malla es
que realizando un acomodo y sustitución de términos, resulta
En la tercera malla solo se puede expresar una ecuación aplicando la LKV.

Lo mismo ocurre en la cuarta malla

Así que las ecuaciones obtenidas en cada malla son (expresándolo en un sistema de ecuaciones)
Este sistema se puede mostrar en forma matricial
Que es similar a su forma general
Despejando ,
Por lo que es necesario encontrar la inversa de . Para encontrarlo primero se determina su determinante.
La matriz adjunta de es
donde es el cofactor correspondiente y se calcula utilizando la fórmula
donde es el menor del elemento
y para encontrar el valor de cada menor, se realiza lo siguiente
Calculando cada cofactor, se tienen los siguientes resultados
Así, la matriz adjunta es
y la matriz adjunta traspuesta de es
Entonces, la matriz inversa de es
Regresando al último despeje matricial y sustituyendo
Finalmente, los valores de las corrientes de cada malla son ,
,
y
.